[an error occurred while processing this directive]
 
 
 

DNA is minded and conscious

Natural selections from The Cosmic Serpent, DNA and the Origins of Knowledge by Jeremy Narby

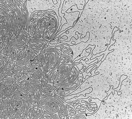
This image shows a bit (no more than 3%) of the single molecule of DNA released from a single human chromosome. (The chromosome was treated to remove its histones). Remembering that this is 3% of the DNA of only one of the 46 chromosomes in the human diploid cell, you can appreciate the problem faced by the cell of how to separate without error these great lengths of DNA without creating horrible tangles.—Mitosis

DNA is minded and conscious. It is the living language substance of life, and it lives inside all the cells of all life forms on Earth. As your eyes scan these words, there are two meters of DNA in every single cell in your eyeballs, winding and unwinding like a snake.

How...could biology presuppose that DNA is not conscious, if it does not even understand the human brain, which is the seat of our own consciousness and which is built according to the instructions in our DNA? How could nature not be conscious if our own consciousness is produced by nature?

[Joseph] Campbell dwells on two crucial turning points for the cosmic serpent in world mythology. The first occurs "in the context of the patriarchy of the Iron Age Hebrews of the first millenium B.C., [where] the mythology adopted from the earlier neolithic and Bronze Age civilizations . . . became inverted, to render an argument just the opposite to that of its origin." In the Judeo-Christian creation story told in the first book of the Bible, one find elements which are common to so many of the world's creation myths: the serpent, the tree, and the twin beings; but for the first time, the serpent, "who had been revered in the Levant for at least 7000 years before the composition of the Book of Genesis," plays the part of the villian. Yahweh, who replaces it in the role of creator, ends up defeating "the serpent of the cosmic sea, Leviathan."


For Campbell, the second turning point occurs in Greek mythology, where Zeus was initially represented as a serpent; but around 500 B.C., the myths changed, and Zeus becomes a serpent-killer. He secures the reign of the patriarchal gods of Mount Olympus by defeating Typhon, the enormous serpent-monster who is the child of the earth goddess Gaia and the incarnation of the forces of nature. Typhon "was so large that his head often knocked against the stars and his arms could extend from sunrise to sunset." In order to defeat Typhon, Zeus can count only on the help of Athene, "Reason," because all the other Olympians have fled in terror to Egypt.

  1. Western culture has cut itself off from the serpent/life principle, in other words DNA, since it adopted an exclusively rational point of view.

  2. The peoples who practice what we call "shamanism" communicate with DNA.

  3. Paradoxically, the part of humanity that cut itself off from the serpent managed to discover its material existence in a laboratory some 3000 years later.